- 質量穩定:實行全過程質量監控,細致入微,全方位檢測!
- 價格合理:高效內部成本控制,減少了開支,讓利于客戶!
- 交貨快捷:先進生產流水線,充足的備貨,縮短了交貨期!
- 銷售:021-66059666
- 傳真:021-39901228
- 技術:021-39900466
產品說明
T40H-40、T40H-100 型給水回轉式調節閥:適用于中、低壓鍋爐給水管道和高壓加熱器疏水管上,通過轉動圓筒形閥瓣使其與閥座形成的窗口面積改變,從而實現調節流量的目的。給水回轉式調節閥的回轉啟閉角度為 60°,由調節閥上方的開度指示板來指示。可配用電動執行裝置,實行遠程自動化操作。
產品性能參數
| 型號 | PN | 工作壓力/MPa | 適用溫度/℃ | 適用介質 |
|---|---|---|---|---|
| T40H-40 | 40 | 4.0 | ≤200 | 水、蒸汽 |
| T40H-100 | 100 | 10.0 |
返回頁首 ⇑
產品零部件材料
| 型號 | 材料 | ||||||
|---|---|---|---|---|---|---|---|
| 閥體 | 閥座 | 閥瓣 | 拔桿 | 閥桿 | 緊固件 | 填料 | |
| T40H-40 | 優質碳素鋼 | 鉻不銹鋼 | 鉻不銹鋼 | 鉻不銹鋼 | 鉻不銹鋼 | 優質鋼 | 柔性石墨 |
| T40H-100 | |||||||
返回頁首 ⇑
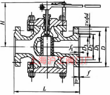
產品外形及結構尺寸
| DN | 最大流通面積/cm2 | L | H | D | D1 | D2 | D3 | b | f | f1 | z×Φd |
|---|---|---|---|---|---|---|---|---|---|---|---|
| 50 | 1.89 | 230 | 245 | 160 | 125 | 100 | 88 | 20 | 3 | 4 | 4×Φ18 |
| 65 | 2.72 | 290 | 250 | 180 | 145 | 120 | 1140 | 22 | 3 | 4 | 8×Φ18 |
| 80 | 6.4 | 310 | 255 | 195 | 160 | 135 | 121 | 24 | 3 | 4 | 8×Φ18 |
| 100 | 8.4 | 350 | 280 | 230 | 190 | 160 | 150 | 26 | 3 | 4.5 | 8×Φ23 |
返回頁首 ⇑
| DN | 最大流通面積/cm2 | L | H | D | D1 | D2 | D3 | b | f | f1 | z×Φd |
|---|---|---|---|---|---|---|---|---|---|---|---|
| 50 | 1.27 | 300 | 250 | 195 | 145 | 115 | 88 | 28 | 3 | 4 | 4×Φ25 |
| 80 | 5.5 | 380 | 255 | 230 | 180 | 150 | 121 | 34 | 3 | 4 | 8×Φ25 |
| 100 | 15 | 400 | 288 | 265 | 210 | 175 | 150 | 38 | 3 | 4.5 | 8×Φ30 |
| 150 | 19 | 450 | 340 | 350 | 290 | 250 | 204 | 46 | 3 | 4.5 | 12×Φ34 |
| 200 | 55 | 710 | 455 | 430 | 360 | 315 | 260 | 54 | 3 | 4.5 | 12×Φ40 |
返回頁首 ⇑
產品外形及結構尺寸示意圖

返回頁首 ⇑
聲明:本文中所有文字、數據、圖片均只適用于參考,T40H-40、T40H-100 型給水回轉式調節閥性能參數、結構尺寸參數、價格等詳情,請聯系我們,電話:021-66059666。